Documentation Library
Qubic System — product manuals and technical documentation.
76 manuals
·
6 categories
Software
Software applications and simulation guides
Hardware
Motion platform hardware manuals
Tutorials
Step-by-step guides and tutorials
Product Cards
Product specification sheets and datasheets
Miscellaneous
Wallpapers and additional resources
3D Prints
3D printable models for motion platforms
QS-S25
User manual for QS-S25.
1 Safety precautions
Read all safety instructions before installing and using this product. Save this document for future reference. If ownership of this product is transferred, be sure to include this manual. Following coloured frames are used in this manual to draw attention to important information or warnings:Info
The instructions included in this frame indicate information that is considered important, but not injury- or damage-related.
Warning
The instructions included in this frame indicate a dangerous situation that, if not avoided, could result in a user injury or device damage.
1.1 General safety
Warning

Keep hands and feet away from the moving parts when device is in motion.
Warning

Always ensure that cockpit attachment points can withstand forces generated by the QS-S25 (approved construction or tested for expected load). Check the cockpit for loose mounting points.
Warning

To reduce the risk of burns, fire, electrical shock, injury or mechanical damage always TURN OFF THE POWER SUPPLY before plugging and unplugging the QS-S25 .
Dangerous voltages level can be present in Power Cabinet for a few minutes after turning off the machine.
Warning

The device is intended solely for individuals OVER THE AGE OF 16. In case of use by individuals with limited physical, sensory, or mental capabilities, strict supervision is required. Read safety instructions before using the device.
To reduce the risk of burns, fire, electrical shock, injury or mechanical damage:
- Use the QS-S25 only for its intended purpose, according to instructions.
- Unplug the QS-S25 from the power supply if it is not used for an extended period or when there is a need to perform hardware installation, maintenance, servicing or repairs.
- The QS-S25 was designed for indoor use only - DO NOT store or use the product outdoors.
- Keep the QS-S25 away from the heat sources, high humidity, water, and other liquids. DO NOT store in cold place where water condensation may occur.
- DO NOT disassemble the product. Any tampering with or altering the product will void the warranty, poses a serious risk of electric shock, and may irreparably damage the product.
- DO NOT cover the ventilation holes in the Power Cabinet.
- Keep the power cord plug and the socket dry, clean and dust-free.
- Protect the power cord from damage caused by being stepped on, rubbed against, or pinched.
- DO NOT use the QS-S25 if the ambient temperature is below 5° Celsius (41° Fahrenheit) or above 40° Celsius (104° Fahrenheit).
- DO NOT use the QS-S25 if it has been damaged, or any component is broken or missing. Please contact technical support.
- DO NOT use attachments or replacement parts not recommended or approved by the manufacturer. If you must replace a power cord, use only certified products with the same rating as the one being replaced.
- Any modifications to machine's settings and its cockpit are at the risk of the user/installer.
- Connect the QS-S25 to a properly grounded outlet only. See grounding instructions in section 2.7.
- If you want to increase safety level of the system, you can add external safety devices. For detailed information see section 7.
Warning
Always turn all the power switches off on the QS-SB2 power cabinets before plugging and unplugging the QS-S25 . Dangerous voltages level can be present in Power Cabinet for a few minutes after turning off the machine.

Warning
Stop using the QS-S25 immediately and contact technical support when the machine starts to emit unusual noise, smoke or any other suspicious behavior indicating the machine is not working properly.
1.2 Health and Safety Instruction
Warning
As with any mechanical device, user is the one responsible for inspecting the condition of the machine before using it and ensuring safe working conditions.
Warning
Plugging and unplugging the actuator must ALWAYS be performed with Power Cabinet's power switched OFF.
For more information go to section 4.3.
Always make sure that all PUSH-PULL connectors are plugged all the way in - ring lock MUST click into place. Loose connections may result in serious actuator damage.

- Ensure that nothing is blocking machine's movements or air vents. The minimum distance between the air vents in the Power Cabinet's and any outside part of the cockpit equipment is 10 cm (4 in).

- Check if cables are mounted correctly – they must NOT be stretched or loosely connected to the socket. Placed them out of the moving range of the device components.
- Check if all components are correctly mounted.
- Check if there are no sharp edges near the moving range of the cockpit.
Warning

Dangerous voltage level are present in the Power Cabinet and cables during the operation and for up to a few minutes after turning off the machine.
- Ensure that everyone around is aware of cockpit's rapid movements.
- Ensure that no one stands in the range of the motion (minimum of 1.5 m [5 feet]).
Warning

In order to perform a calibration, QS-S25 will move after turning the power on and cycling the Motion Lock button. Stay in the safe distance from that movement and do not try to interrupt it.
- DO NOT change the payload weight mounted to the QS-S25 during a start-up calibration.
- Motion Lock Switch should be mounted within the reach of the user – it has to be available immediately in every situation. Different seat positioning setups should be taken into account.
- Check the Motion Lock Switch AT LEAST once a month to reduce the possibility of unknown and unexpected failure.
- Before getting on and off the machine activate Motion Lock Switch by pressing it down.
- In case of game crash or freeze - Motion Lock Switch must be triggered (pressed down) before getting off the machine.
Warning

NEVER unplug the actuator with Power Cabinet's power ON, because the actuator will launch upwards abruptly.
Info
To check if the QS-S25 is in the Motion Lock mode - go to QubicManager application main window. Platform status is displayed in the lower left corner of the main application window:

Info
Motion Lock input is not SIL/PL (safety integrity level/performance level) rated and DOES NOT guarantee safety. If you wish to achieve specific SIL/PL ranking, consider introducing a power cut-off device that is controlled by an external safety relay and cuts off the power to all Power Cabinets. Example application of the power cut-off contactor can be found in section 7.3.2 and 7.3.3 and .
- For VR Headset users:
- Remove the VR goggles before entering or exiting the rig.
- Ensure that cables from the VR Headset are not in the movement range of the QS-S25 .
- Ensure that the whole VR setup is not in the motion range of the QS-S25 .
- Ensure that VR setup cables are protected from being crushed by the QS-S25 – DO NOT place them loosely under the motion rig.
Info
It is recommended that the connected PC is capable of running the game at stable 90 frames per second or more when VR Headset is used. Lower values can cause VR sickness.
- DO NOT use QS-S25 if you are pregnant, tired, or under the influence of alcohol or narcotic substances.
- STOP USING the QS-S25 immediately if you start feeling pain, fatigue or any physical or mental discomfort.
- User MUST always be mentally and physically capable of operating the simulator at its full performance.
- For every two hours of playing, we recommend at least 15 MINUTES OF BREAK.
- DO NOT put your hands or legs in the actuator's range of motion!
- DO NOT use the QS-S25 with small children or pets around.
- DO NOT put any items between actuators and stabilization plates.
- DO NOT pull the wires connecting the actuators with the Power Cabinets.
- Always fasten the seat belt while using the QS-S25 .
2 Product description
2.1 Complete view
QS-S25 basic setup overview:

Actuators numbering and connections with power cabinets:

QS-S25 basic with all additional accessories overview:

Info
Use only monitors compatible with VESA 100 x 100 32" type mounting.
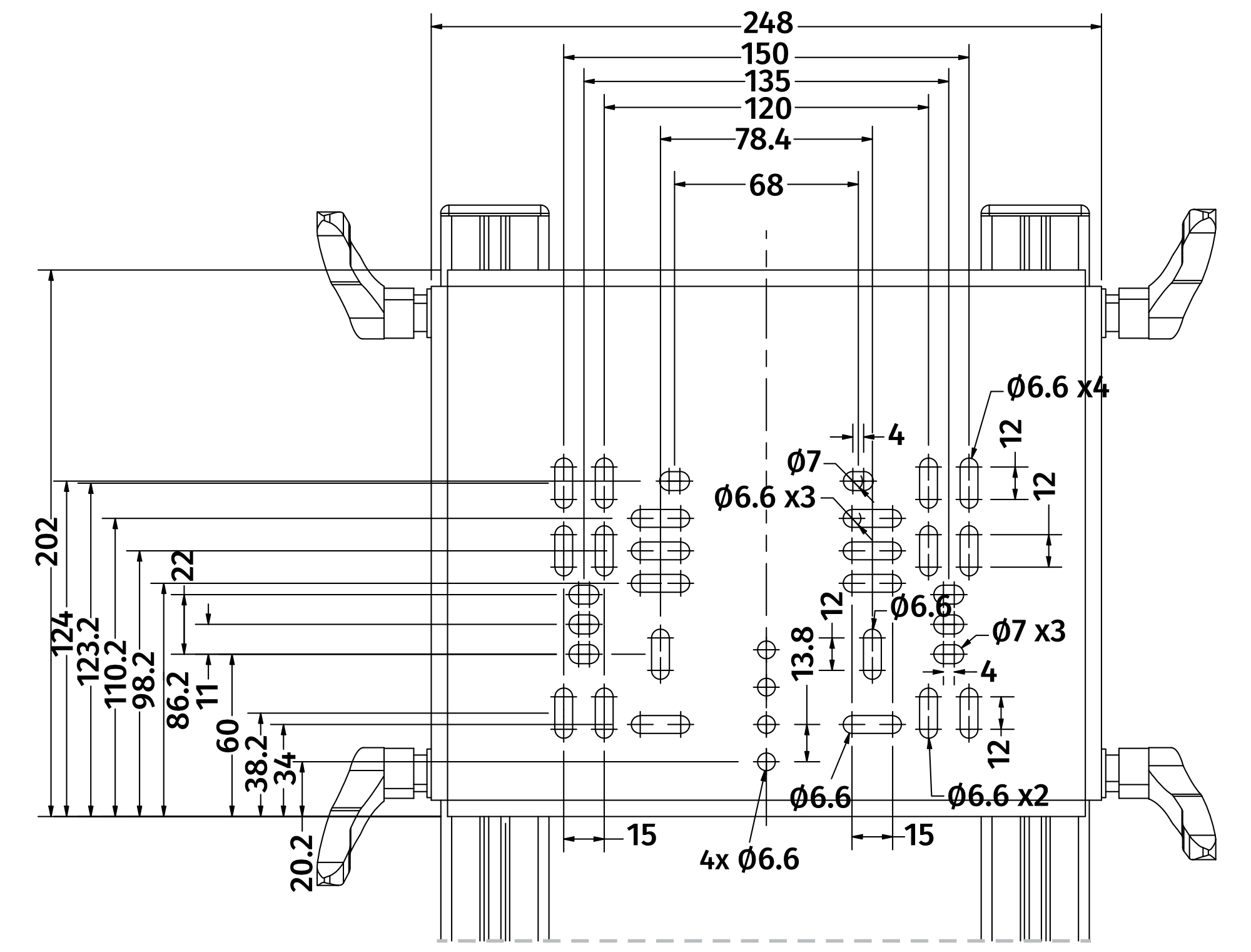
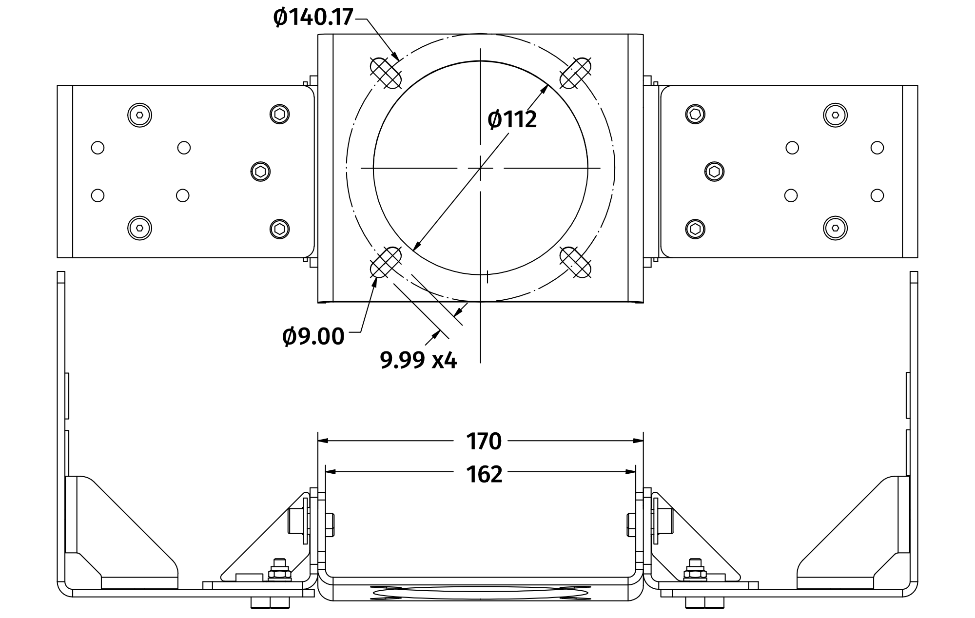
2.2 Dimensions
QS-S25 basic setup dimensions:

Info
QS-S25 's maximum heave is 108.3 mm (4.26 in) - ensure that the room in which the motion platform will operate has a high enough ceiling (including accessories + monitors).
QS-S25 dimensions with accessories:

Wheel deck dimensions:

Top desk dimensions:

Front mount dimensions:

Info
To mount the QS-DD-20, remove the central front mounting bracket and attach the steering wheel directly by the sides of the direct drive housing.
Shifter mount dimensions:

2.3 Components (assembled variant)
QS-S25 (assembled) components:
Info
For information on components in modularized variant go to section 3.
2.4 Labels and warning plates placement

2.5 Safe distances
Minimum safe distances from the QS-S25 edges are shown below:
Info
Keep in mind that QS-S25 might move during simulation, occasionally check if the safe distances are kept to avoid damages by QS-S25 hitting for example wall or TV screen.
To ensure that safe distance is always kept - anchor the machine to the ground. For more details go to section Anchoring.
2.6 Environmental conditions
QS-S25 shall be operated within ambient conditions as specified below:- Only indoor use
- Temperature : 5° - 40° Celsius / 41° - 104° Fahrenheit
- Humidity : 0 - 70 % (without condensation)
- Maximum altitude : up to 2000 m / 6561 ft
2.7 Power requirements
QS-S25 requires a 120/230± 10% VAC 50-60 Hz single phase with ground and neutral connection.
Info
Always UNWIND THE CABLE COMPLETELY when using a cable reel and untangle an extension cord before connecting the device to the power supply.

Warning
- The device is NOT intended to be used in an IT earthing/grounding system.
- The product must be connected to the mains power supply with a protective earth (PE) and a residual current circuit breaker (RCCB).
2.8 Power consumption
Tables below contain power consumption data on Performance mode (Q-MODE is unavailable for QS-S25 ). Voltage - 230V:| Converter specification | Breaker specification | Power consumption | ||
|---|---|---|---|---|
| Average Power [kVA] | Peak Power [kVA] | Peak Current [A] | Average Power (stress test) [kW] | Average Power (typical game) [kW] |
| 1,3 | 2,4 | 11 | 0,46 | 0,20
|
| Converter specification | Breaker specification | Power consumption | ||
|---|---|---|---|---|
| Average Power [kVA] | Peak Power [kVA] | Peak Current [A] | Average Power (stress test) [kW] | Average Power (typical game) [kW] |
| 0.9 | 1.5 | 13 | 0.45 | 0.24
|
2.9 Noise emission
The QS-S25 was checked for noise level based on actual standards. Noise level during normal work condition is not over 80 dB. Measuring method is compliant with ISO 11202. Four measuring positions as shown on the picture are placed 160 cm from the floor level and 100 cm from the edge of the device.
| Measurement point | A | B | C | D |
|---|---|---|---|---|
Measurement conditions:
| 60,7 dB(A) | 63,4 dB(A) | 62,9 dB(A) | 63,2 dB(A) |
| 53,9 dB(A) | 56,8 dB(A) | 57,8 dB(A) | 58,6 dB(A) |
2.10 Cold start procedure
For safety reasons, and in strict compliance with the requirements of ISO 14118:2017 (E) concerning the prevention of unexpected start-up, QS-210, QS-220, QS-V20, QS-CH2, and QS-S25 motion systems require one complete cycle of the Motion Lock switch whenever power is restored after being cut off or during the start-up. Follow the steps below:- Verify that the motion platform is OFF - the power switch on the Power Cabinet is not backlit, and QubicManager displays an Offline status.

- Turn the Power ON. The platform will not move.

- Press the Motion Lock button - diode emits constant light. The platform will not move.

- Turn the Motion Lock button counterclockwise - diode blinks. The system will perform start-up calibration. Do not change the payload.

- If the status displays Parked/centered or Running - the motion platform is ready for operation.

Info
- If the status displays - no need to perform a Cold start procedure, the platform is ready for operation.

- If the platform was already powered ON while starting the QubicManager and status displays - start from step 3.

- If the Motion Lock was already engaged during start-up and the status displays - no need to cycle through the stages, start from step 4.

- For the procedure to work, M10 controller must be powered on (via USB) - QubicManager does not have to be running.
Info
Use mild thread locker on every bolt that is not screwed in with a locknut.
3 QS-S25 modularized assembly



3.1 Lower frame assembly
| Operation | Tools |
|---|---|
| Unpack the segments and connectors. Front side connector has additional holes for mounting power switch box. | by hand |

| Operation | Tools | Torque specs |
|---|---|---|
| Turn the connectors and segments upside down, connect the segments with connectors using bolts, nuts and washers as shown on the illustration. | 6 mm hex key, 13 mm socket wrench | DIN 912 M8 - 23 Nm (17 ft-lbs) |

| Operation | Tools |
|---|---|
| Lay down the braided wires (grounding connections) and power supply cables as shown on the illustration. Cables will be connected to the power cabinets later on. Braided wires shall be connected from the switch box to cockpit frame, and from cockpit frame to power cabinets. | by hand |

3.2 Mounting actuators and power cabinets
| Operation | Tools |
|---|---|
| Place the power cabinets and actuators according to the layout shown below (actuator's cables should be crossed). | by hand |


Info
In case of revision including push-pull connectors, they can be plugged to Power Cabinets after the actuator have been bolted in (section Actuators assembly with the platform).
| Operation | Tools |
|---|---|
| Configure the CFG switches according to the actuators layout. | by hand |


| Operation | Tools | Torque specs |
|---|---|---|
| Bolt in the power cabinets with segments. Power cabinets has attached mounting brackets with vibro-isolators, place them on the segment and screw in using bolts and nuts for the connection. | 5mm hex key, 10mm socket wrench | ISO 7380-1 M6 - 7Nm (5.1 ft-lbs) |

| Operation | Tools |
|---|---|
| Unbolt the marked bolt, connect and screw in the short braided wire from the backside grounding connection bolt. | 3mm hex key |

| Operation | Tools | Torque specs |
|---|---|---|
| Connect the actuators with the base frame segments. | 6mm hex key, 13mm socket wrench | DIN 912 M8 - 23 Nm (17 ft-lbs) |


Warning
Plugging and unplugging the actuator must ALWAYS be performed with Power Cabinet's power switched OFF.

3.3 Mounting cockpit frame
| Operation | Tools | Torque specs |
|---|---|---|
| Connect the actuators with the cockpit frame. | 5mm hex key, 10mm socket wrench | DIN 912 M6 - 9.5 Nm (7 ft-lbs) |

| Operation | Tools | Torque specs |
|---|---|---|
| Optional - connect the wheels to the lower frame segments in order to move the device to the designated location. | 19mm socket | Enough for the wheel module to be resting flat on the base frame. |

Warning
Do not use the device with attached transportation wheels. Wheels shall be attached only for transportation purposes.
3.4 Mounting lower frame accessories
| Operation | Tools | Torque specs |
|---|---|---|
| Connect the switch box, stairs and steel plate with lower frame connectors. | 5mm hex key, 10mm socket wrench | ISO 7380-1 M8 - 17 Nm (12.5 ft-lbs) |


3.5 Mounting cockpit accessories
Info
Before mounting cockpit accessories power-up the device and check if the pitch and roll movements are correct. Run QubicManager → Tools and Diagnostic → Platform Diagnostic and check correctness of the movements. If any of the movement is incorrect then the actuators were installed in the wrong place.
Cockpit accessories overview :

3.5.1 Seat mover
| Operation | Tools | Torque specs |
|---|---|---|
| Connect the seat mover with cockpit. Slide in slot nuts into the seat mover railings and screw it in from below of the frame. | 5mm hex key | DIN 912 M6 - 9.5 Nm (7 ft-lbs) |

3.5.2 Keyboard holder
| Operation | Tools | Torque specs |
|---|---|---|
| Connect the keyboard holder with the cockpit frame. | 6mm hex key, 13mm socket wrench | DIN 912 M8 - 23 Nm (17 ft-lbs) |

3.5.3 Shifter/handbrake plate
| Operation | Tools | Torque specs |
|---|---|---|
| Connect the shifter/handbrake plate with the cockpit frame. | 6mm hex key, 13mm socket wrench | DIN 912 M8 - 23 Nm (17 ft-lbs) |

3.5.4 VR goggles hanger
| Operation | Tools | Torque specs |
|---|---|---|
| Connect the VR goggles hanger with the cockpit frame. | 5mm hex key | DIN 912 M6 - 9.5 Nm (7 ft-lbs) |

3.5.5 Steering wheel desk
| Operation | Tools | Torque specs |
|---|---|---|
| Assemble the steering wheel desk as shown on the illustrations. Do not mount the additional bracket if you wish to install the monitor holders. | 4, 5, 6mm hex key | DIN 912 M6 - 9.5 Nm (7 ft-lbs) DIN 912 M8 - 23 NM (17 ft-lbs) ISO 7380-1 M6 - 7 Nm (5.2 ft-lbs) |






| Operation | Tools |
|---|---|
| Connect right side bracket the same way as the left one. | 4, 5, 6mm hex key |

| Operation | Tools | Torque specs |
|---|---|---|
| Put in the plastic endings on the brackets. Connect the steering wheel desk to the side brackets. | 5mm hex key | DIN 912 M6 - 9.5 Nm (7 ft-lbs) |

3.5.6 Steering wheel bracket
| Operation | Tools | Torque specs |
|---|---|---|
| Optional Install the direct drive mounting bracket. | 5, 6mm hex key | DIN 912 M6 - 9.5 Nm (7 ft-lbs) DIN 912 M8 - 23 Nm (17 ft-lbs) |


3.5.7 Pedals bracket
| Operation | Tools |
|---|---|
| Put in the pedals mounting bracket as shown on illustration. Remove 6 bolts from the spacers. | 4mm hex key |

| Operation | Tools | Tools |
|---|---|---|
| Attach the pedals set to the frame. | 4, 5mm hex key | ISO 7380-1 M6 - 7 Nm (5.2 ft-lbs) DIN 912 M6 - 9.5 Nm (7 ft-lbs) |

| Operation | Tools | Torque specs |
|---|---|---|
| Put in the removed bolts through the holes in the cockpit frame and use them to connect the pedals bracket with cockpit frame. | 4mm hex key | ISO 7380-1 M6 - 7 Nm (5.2 ft-lbs) |

3.5.8 Monitors holders
| Operation | Tools | Torque specs |
|---|---|---|
| Connect the monitors holder front bracket. | 5mm hex key | DIN 912 M6 - 9.5 Nm (7 ft-lbs) |

Info
Depending on the assembly, you may need to loosen or take out the U-bracket and assemble it again with monitors holder front bracket.

| Operation | Tools | Torque specs |
|---|---|---|
| Connect the monitors holder side bracket. | 6mm hex key, 13mm socket wrench | DIN 912 M8 - 23 Nm (17 ft-lbs) |

| Operation | Tools | Torque specs |
|---|---|---|
| Connect the monitors holder front bracket - pull rod. | 6mm hex key, 13mm socket wrench | DIN 912 M8 - 23 Nm (17 ft-lbs) DIN 912 M6 - 9.5 (7 ft-lbs) |

| Operation | Tools | Torque specs |
|---|---|---|
| Connect the monitors holders top frame. | 5mm hex key | DIN 912 M6 - 9.5 (7 ft-lbs) |

| Operation | Tools | Torque specs |
|---|---|---|
| Connect the monitors mounting brackets to the top frame | 2.5, 3, 5mm hex key | DIN 912 M6 - 9.5 (7 ft-lbs) DIN 912 M4 - 2.8 Nm (2 ft-lbs) DIN 7991 M4 - 2 Nm (1.5 ft-lbs) |


| Operation | Tools | Torque specs |
|---|---|---|
| Connect the monitors frame to the mounting bracket | 3mm hex key, 8 & 10mm socket wrench | DIN 933 M6 - 9.5 Nm (7 ft-lbs) DIN 7991 M5 - 4.1 Nm (3 ft-lbs) |

| Operation | Tools | Torque specs |
|---|---|---|
| Connect the mounting brackets with the upper frame of the holders. | 5mm hex key | DIN 912 M6 - 9.5 Nm (7 ft-lbs) |

3.5.9 Speaker holders
| Operation | Tools | Torque specs |
|---|---|---|
| Connect the speakers mounting brackets and mount the speakers inside the cockpit frame. | 3mm hex key, 7mm socket wrench | DIN 912 M4 - 2.8 Nm (2 ft-lbs) ANSI B18.3 1/4 - 12 Nm (8.8 ft-lbs) |

Info
Dedicated set of speakers for the QS-S25 is Logitech Z906
4 Installation
Warning
Dangerous voltages level can be present in Power Cabinet and cables during the operation and for a few minutes after turning off the machine.
- DO NOT use the QS-S25 on very soft or fragile surfaces like rubber, glass, or foam.
- Ensure that all QS-S25 modules are mounted properly.
- Be aware that QS-S25 will crawl a little in every direction during operation. Those movements could damage the surface in the long term. Manufacturer, its subsidiaries, and their partners are not responsible for any floor damages. It is recommended to anchor the machine to the ground - see section Anchoring for details.
- DO NOT mount the rig in tight or cluttered spaces – nothing should restrict QS-S25 's motion range.
- Seatbelts and other harnesses should be mounted to parts of the motion rig that move in the same way as the seat. DO NOT attach them to any static part or ground.
- Cables must not be stretched and should be kept in a way that prevents them from getting under actuator or any part that can crush or tear them.
- If you want to use the QS-S25 in an unusual application, and you are not sure, that the desired setup is feasible, please contact the distributor/reseller.
- Only racing seats and harnesses certified by the FIA shall be installed on the QS-S25 .
- The user/integrator is responsible for using a pedal set other than that provided by the manufacturer.
4.1 Transportation
The platform can be moved using transportation wheel modules, included in the package. Attaching them to a fully assembled platform will lift it from the ground and allow to roll it into designated place. Wheel modules MUST then be unfastened. DO NOT use the platform while on the wheels. The platform may also be lifted and transported using lifting straps and a lifting device.Warning
All operations MUST BE performed with the power OFF and cables disconnected from the outlet.
4.1.1 Attaching wheel modules
To roll the platform into designated place install wheel modules (x3) using included bolts and washers. Screw them in gradually to evenly lift the platform (tight enough for the wheel module to be resting flat on the base frame).
Warning
After rolling the platform into designated place wheel modules MUST then be uninstalled. DO NOT use the platform while on the wheels.
4.1.2 Lifting the platform
Warning
To avoid damaging platform's components with lifting straps - side monitor screens and right desk should be removed.

Warning
- Only a professional forklift operator can operate the forklift/hoist.
- Forklift operator should be assisted by a helper standing in short distance and guiding him while moving the platform.
4.2 Anchoring
Depending on the floor surface, the platform may crawl in all directions during normal operation. It is recommended to anchor it to the ground. Anchor holes pattern dimensions:
Info
It is suggested to use M12 wedge anchor bolts.
- Remove three triangular bottom plates from the platform using 5 mm hex key (4 bolts per plate).

- Install anchoring plates underneath the platform using bolts, nuts and washers included in the package, as shown in the illustration (DIN 912 M8 bolt - 23 Nm (17 ft-lbs); DIN 7991 M8 bolt - 17.4 Nm (12.8 ft-lbs)):

- Once the platform is in its designated place - install anchor bolts referring strictly to manufacturer's anchor bolt manual.
- Reattach triangular plates back to the platform using 5mm hex key.
4.3 Actuator connection with a Power Cabinet
Info
Revised version of the QS-S25 is equipped with push-pull actuator connectors. If your machine has integrated actuator cables, this section does not apply.
Warning
Plugging and unplugging the actuator must ALWAYS be performed with Power Cabinet's power switched OFF.

Warning
Always make sure that all PUSH-PULL connectors are plugged all the way in - ring lock MUST click into place. Loose connections may result in serious actuator damage.

NEVER pull the plug by the cable

Warning

- Under no circumstances DO NOT plug QS-210 actuator to QS-220 Power Cabinet and QS-220 actuator to QS-210 Power Cabinet. That WILL lead to an irreversible damage to the actuators and will NOT be covered by a warranty.
- NEVER unplug the actuator with Power Cabinet's power ON, because the actuator will launch upwards abruptly.


4.4 CFG switch configuration
Info
- All QS-SB2 Power Cabinets must be interconnected via Motion Lock interlink cables and M-BUS communication cables.
- Order of connecting the cables is not important. Keep the CFG switches setting according to the actuators numbering.

4.5 Interconnections

4.6 Motion lock connection with other QS devices
If you own more QubicSystem devices, we recommend including them in the Motion Lock circuit in order to create one e-stop button setup. Refer to diagrams below.Warning
- All Motion Lock connections must be performed with power switched OFF.
- Motion Lock interlink cables have different ML/UP (6 pin) and ML/DN (4 pin) plugs on each end.



4.7 Connecting power cords

4.8 Connecting grounding wires
Info
Platform is equipped with a low resistance protective-earth bolt. It must be connected to the facility's solid protective earth/grounding bolt in order to increase suppression level. It is recommended to use at least 10 mm2 copper wire.
Warning
All operations MUST BE performed with the platform powered off and by a qualified electrician.



4.9 Software Installation
Info
Note down the QS-S25 serial number before installation as it is needed to access software download page.

To download the software visit: QubicSystem.com/Download
Once the QS-S25 is installed and connected correctly:
- Download Qubic Manager Software.
- Proceed with the installation steps and launch the application.
- Connect power connection cord to the wall socket.
- Turn on the system by switching on the power switch button on the Power Box.
- Cycle through the Motion Lock Switch positions - press and unpress it (go to section 2.10 for details on the procedure).
- The QS-S25 will perform a start-up calibration.
WarningDO NOT change the payload during the start-up calibration.
- If Qubic Manager has recognized the QS-S25 correctly, the status of the machine visible in the lower left corner will change to Parked/Centered.

- Check Action Center on the right side panel for a list of actions that requires attention:

- It is possible to solve them one by one or by pressing the Resolve All button. Firmware update may require additional confirmation in the dialogue box.

- Go to Tools and Diagnostics → Devices and select Configure.

- Choose one of the operation modes:
InfoQ-MODE is unavailable for QS-S25 - Close the configuration and return to the main application window. Choose the game and check profile details by clicking on the game tile.
InfoDefault profiles are integrated with the software and do not require additional installation. List of supported games is available at: QubicSystem.com/Supported-games.

- Adjust the motion effects intensity to your preferences in the game profile window, scroll down in the window to see all of the settings. You can adjust the settings during the game simulation by pressing ALT+TAB.
WarningThe QS-S25 is a high performance machine capable of fast and abrupt movement based on game/simulation input data. User MUST maintain a sensible approach when modifying the default game profile. - Activate profile by clicking the Activate button.

- Launch the game by clicking the Run the game button.

Info
Warning
The software is provided "as is", without warranty of any kind, express or implied, including but not limited to the warranties of merchantability, fitness for a particular purpose, and non-infringement. In no event shall the authors or copyright holders be liable for any claim, damages, or other liability, whether in an action of contract, tort or otherwise, arising from, out of, or in connection with the software or the use or other dealings in the software. The software sends anonymous usage data to the Motion Systems company. The data is used to improve the software and game profiles. The data is not used for advertising purposes.
5 Maintenance and Cleaning
Info
Cleaning should be conducted every 160 working hours or once a month.
To see the working hours counter, go to Tools and diagnostics → Devices. It is displayed in the QS-S25 device listing:

5.1 Checking Motion Lock button
At least once a month check if Motion Lock button is working correctly:- Before anyone steps into the platform - turn on the QS-S25 .
- Push the red Motion Lock button.
- The machine should stop and not react to any signal.
- Turn on a simulation or a game to confirm that - with a correct profile activated proceed to a game or a simulation and engage movement.
✓
If the Motion Lock Button works correctly - platform does not react nor move in any way.
x
If the Motion Lock button does not work correctly - platform proceeds to simulate motion from the game/simulation. Check the cable connection and repeat the test. If the problem persists - DO NOT use the platform, power it off and contact technical support immediately.
5.2 Actuator seal lubrication
To minimize the risk of actuator failure, visually check the condition of rubber seals once a month.
- Go to QubicManager → Tools and Diagnostics → Platform diagnostics → Motions (IK) tab → set the Max Speed to 10% → drive the C1 Heave slider all the way to the right - beware, the platform will lift to its maximum range.
- Clean the whole piston rod thoroughly with a clean microfiber cloth.
- Spray silicone grease evenly around the piston rod close to the housing:

- Go back to Platform diagnostic window → Sinus Motions (IK) → in the Amplitude of C1: Heave slot type in "50" → tick "Enable" (beware - heave sinus motion will begin). Allow the motion platform to run for 30-60 seconds.
- After 30-60 second stop the sinus motion by unticking "Enable".
- Repeat step number 1. to raise the platform.
- Wipe off the residue of silicone grease from the piston rods.
- Close the Platform diagnostic window - the platform will rest slowly on the actuators.
Info
- Manufacturer tested silicon grease specifications: working conditions (°C): -40 do +200, density (g/cm3): 1,02, NLGI class: 2, worked penetration: 220-270, dielectric constant (100 Hz): 2,9, breakdown voltage (kV/mm): 30, pH of water lift: 4 to 6.
- Alternatively to silicone grease spray - good quality red bearing grease may be applied.
6 Troubleshooting
Warning
DO NOT attempt to do any repairs by yourself. It could be dangerous and will result in loss of warranty! Repairs should be consulted with technical support and then performed by a qualified technician.
- Check Action Center in QubicManager.
- Check all cable connections in the device.
- Restart QubicManager application by right-click on the application icon in the system tray and selecting Restart:

- Check Motion Lock Switch position (should be unpressed to activate the motion) :

- Try different USB ports (also try bypassing the USB hub by a direct PC connection).
- If a problem occurred abruptly, it could be caused by a thermal protection. Turn off the QS-S25 , disconnect it from power outlets and wait at least 15 minutes to let it cool down. Try turning it on again later.
- In case of any unclear electrical issues, strange behavior or abnormal work conditions, contact technical support.
6.1 QubicManager device statuses










Info
- ALL diagnostics and cable connection inspections MUST be performed with the device powered OFF.
- If any of error statuses persist after performing the troubleshooting steps - please contact technical support.
6.2 Common problems with solutions
- Problem: QubicManager software crashes on launch with an OpenGL error.
Solution long-term #1: This issue is caused by graphics drivers. Try to downgrade to a previous version of graphics drivers or check for updates.
Solution short-term: To open the app, click OK on all the operating system errors. Restart the QubicManager software and you will be presented with a window:
Click "YES" if you want run the application in Safe Mode (it will run a little slower). Solution long-term #2: In order to overwrite the OpenGL rendering backend permanently, type in troubleshooting in Windows search bar. Select Qubic System Troubleshooting Assistant.
In the prompt window, type 6 on your keyboard and click Enter. Restart the QubicManager application.

6.3 Creating a snapshot
A snapshot is the easiest and fastest way to diagnose a problem. If you send in the zip file generated in the snapshot menu along with a description of the problem, technical support receives all the necessary information about the product and its configuration. It can be then analyzed to provide the best solution.Info
The QS-S25 and all interconnected Power Cabinets MUST BE be powered up when creating the snapshot.
- Open the main window of the QubicManager application.
- Go to Tools and Diagnostic → About / Support.

- Open the Snapshot window:

- Select data that will be included in the snapshot.
- Scroll down, consent to the technical support terms and conditions and select Create & Show:

- The snapshot has been created, click the OK button - the folder with the snapshot ZIP file will open.

- Attach the snapshot ZIP file to your support request.

6.4 Discord channel
We strongly recommend joining our discord channel, where our growing community is sharing amazing tips and ideas of how to set up, use and tune the Qubic System products. You can also send questions for our staff or get answers directly from the community.
Join our discord channel by following the invitation link:

7 Advanced applications
Info
Examples shown in this section describe optional application of external safety and power cut-off devices. If you wish to expand the functionality of your motion system, read the whole section to have a good understanding of how to apply and what functionality to expect. Apply at your own discretion.
Warning
Motion Lock input is not a SIL/PL (safety integrity level/performance level) rated and DOES NOT guarantee safety. If you wish to achieve specific SIL/PL ranking, consider introducing a power cut-off device that is controlled by an external safety relay and cuts off the power to all QS-SB2. Example application of the power cut-off contactor can be found in section 7.3.2 and 7.3.3.
Info
When applying safety relay to the Motion Lock :
- Use input cables according to your safety relay manual.
- Use output cables according to your safety relay manual and cross section no less than 0,75 mm2
- Implementing an additional safety relay requires deactivating Motion Lock cycle procedure at the power up. In order to do that, go to "Tools and diagnostics" → "Devices" → click "Quick codes" next to a "HVFMC200" item → enter code "7c2f47a2" → click "Execute" → wait for the operation to finish → repeat for every HVFMC200 with an unique Serial Number (every second item).
7.1 Adding additional devices to the motion lock circuit
If there is necessity to stop other devices, apart from the QS-S25 , ML (Motion Lock) and additional user devices can be controlled by safety relay outputs. In the example application, the E-STOP button is connected to the external safety relay. When the E-STOP is triggered, the safety relay will activate the Motion Lock function, which will stop motion of the platform and additional devices.
Example application of single-channel safety relay that controls ML and additional devices:

Example wiring diagram of application of one-channel safety relay with E-STOP button:

7.2 Implementing the working zone protection
To protect bystanders from accidental hit from moving parts of the platform, safety gate with opening sensor* can be connected to safety relay input for activating ML function. When the gate opens, the safety relay output activates the ML (Motion Lock) function and stops the motion of the platform.
Example application of safety gate opening sensor:

7.3 Increasing safety level
Warning
Modifications of the safety system, involving application of the power line contactors, shall be performed only by somebody competent. A competent person is a qualified and knowledgeable person, who because of their training and experience has the knowledge required to apply those changes. It is user responsibility to commission modification of the safety system to a competent person, experienced with industrial wiring practices, which will be required to undertake the installation. Commissioning shall be undertaken by a trained electrical technician experienced in safety installations.
7.3.1 Assembling Motion Lock jumper
To apply solutions which require using power line contactors, Motion Lock connection cables in the QS-SB2 power cabinet needs to be replaced with jumpers. To prepare a jumper, you need to assemble recommended connector as shown below:
7.3.2 Adding power-cut circuit with E-STOP button
If specific SIL/PL rated level needs to be achieved, it might be necessary to install a power cut-off device. Two contactors connected in series and controlled by safety relay can be used to provide or cut-off power line to QS-SB2 power cabinets. When safety function on safety relay input is triggered, a safety relay will switch off the contactors, thus cutting-off the power to the platform. To apply this solution, ML UP connection cables needs to be replaced with prepared jumper as described in section 7.3.1.Info
To achieve required safety performance level it is necessary to perform safety risk assessment at user site.
Example application of power line contactors and E-STOP button:

Info
In order to increase SIL/PL level it's a good practice to apply well-known contactors of two different manufacturers in order to decrease probability of failure resulting from serial production.
Example wiring diagram of application of power line contactors and one-channel safety relay with E-STOP:

Info
PE (protective grounding/earthing) connection is omitted for better transparency
7.3.3 Implementing the working zone protection with power-cut circuit
In example application contactors connected in series provide power line to the QS-SB2 power cabinets. When safety function on safety relay input is triggered, a safety relay will switch off the power contactors, thus cutting-off the power to the platform.
Example application of power line contactors with safety gate opening sensor:

Info
When applying safety relay and contactors to the power line remember to:
- Use control cables according to your safety relay manual
- Power line cables shall be chosen accordingly to power requirements of motion system. See power requirements of specific motion system.
7.4 Implementing non-factory Motion lock switch
For non-factory Motion Lock plug setup, you must assemble plug and connectors as shown below:

8 Conformity information

The QS-S25 meets the requirements of CE marking and relevant regulations of the EMC Directive 2014/30/EU.
9 Environmental Impact and Disposal

DO NOT dispose of this product with standard household waste but drop it off at a collection point for the disposal of Waste Electrical and Electronic Equipment for recycling.
- Metal parts should be scrapped.
- Electric and electronic components should be disposed of in the specialized disposal center.
- Other materials should be sorted and disposed of accordingly to the local law and regulations.
10 Liability Disclaimer
If permitted under applicable law, Motion Systems and its subsidiaries disclaim all liability for any damages caused by one or more of the following:- The product has been modified, opened, or altered.
- Failure to comply with assembly instructions.
- Inappropriate or abusive use, negligence, an accident (an impact - for example).
- Normal wear.
Info
If permitted under applicable law, Motion Systems and its subsidiaries disclaim all liability for any damages unrelated to the material or manufacturing defect with respect to the product (including, but not limited to, any damages caused directly or indirectly by any software, or by combining the QS-S25 with any unsuitable element or other elements not supplied or not approved by Motion Systems for this product).
11 Warranty
Motion Systems warrants to the consumer that this product shall be free from defects in materials and workmanship, for a warranty period which corresponds to the time limit to bring an action for concerning this product. For commercial customers there is a one (1) year limited warranty, starting on the original date of purchase. For non-commercial customers there are two (2) years warranty, starting on the original date of purchase. Within the warranty period, the product will be repaired or replaced free of charge, excluding shipping charges. This warranty shall not apply:- If the product has been modified, opened, altered, or has suffered damage as a result of inappropriate or abusive use, negligence, an accident, normal wear, or any other cause unrelated to a material or manufacturing defect (including, but not limited to, combining the QS-S25 with any unsuitable element, including in particular power supplies, chargers, or any other elements not supplied or approved by Motion Systems for this product).
- In the event of failure to comply with the instructions provided by technical support.
- To software (said software being subject to a specific warranty).
- To accessories (cables, cases, for example).
- If the product was sold at public auction or if the product has suffered damage as a result of force majeure: flood, fire, earthquake, storm.
12 Copyright
Qubic System is a trademark of Motion Systems. All rights reserved. All the contents in this user manual are the intellectual property of Motion Systems. No part of this manual, including the products and software described in it, shall be modified or translated into any language without the prior written permission of Motion Systems. Specifications and information in this manual are subject to change at any time without obligation to notify any person of such revision or changes. Illustrations are not binding.Info
Trademark Notice - All brand names, icons, and trademarks that appeared in this manual are the sole property of their respective holders.
13 Manufacturer information
Qubic System is a brand
that belongs to Motion Systems
HQ address:
Miedziana 7 Street
55-003 Nadolice Wielkie
Poland
that belongs to Motion Systems
HQ address:
Miedziana 7 Street
55-003 Nadolice Wielkie
Poland
Info
In support queries please contact your reseller.




